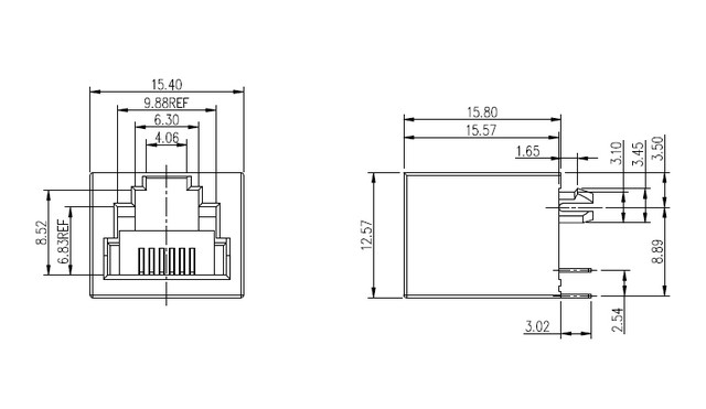
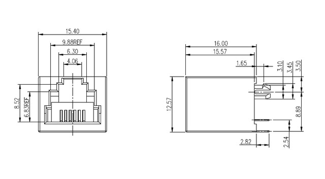
產品類別: 型號:
5624 Series Specifications
- Current Rating : 1.5 A
- Voltage Rating : 150V AC
- Operating Temperature : 0℃~+70℃
- Storage Temperature : 0℃~+70℃
- Contact Resistance : 30 Milliohms (MAX)
- Insulation Resistance : 500 Megohms (MIN)
- Withstanding Voltage : 2250V DC









